2023年,户用光伏新增装机43.48GW,同比增长72.24%!户用分布式光伏再次爆发,成为光伏新增装机的主力之一。2024年来,户用市场也出现了一些新变化和新格局。譬如
应用场景日趋复杂:阳光房减少,东西南北坡、庭院、主楼+副楼增多
系统设计趋于合理:标准化设计,容配比控制在1.2以内,交流多采用铜电缆等
关注终端用户体验:户用电站容量突破50kW,更需关注终端用户体验(譬如噪音、安全)
组件变化趋势明显:N型大功率组件、双面双玻组件的应用普及
电站运维价值凸显:资方对收购电站提出更细化的要求,发电分析和电站运维越发重要
商业模式变化:分布式光伏逐步参与市场化交易、地区容量告警导致部分地区试点集中汇流/台区储能方案
电网对光伏管理趋于严格:电网对分布式调控的需求日益强烈
固德威新一代户用逆变器正是基于市场的变化,不断技术创新,去贴合市场和客户的需求,本文重点阐述固德威新一代逆变器解决了哪些实际的问题。
01
解决匹配问题
1.1 型号齐全
固德威逆变器型号齐全,能满足不同屋顶和不同容配比的设计,不浪费一片屋顶,且能充分利用逆变器。
以主流的平台商为例,固德威新一代增加了23kW、27kW、33kW,型号可以满足不同平台商全部功率段的需求。
1.2 解决组件大电流问题
固德威新一代逆变器解决了组件大电流的问题,固德威新一代机型按照20A+的电流进行设计,能够满足市面上所有的主流功率段。
1.3 更多MPPT和输入路数
固德威新一代逆变器解决了户用场景上的问题,坡屋面倾角大,混接发电量影响严重,固德威逆变器提供更多的MPPT和输入路数,满足不同场景的需求。
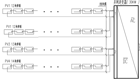
云南xx项目
南北坡考虑建筑、阴影遮挡等,一面出现奇数块的场景。610Wp(最大工作电流17.33A)组件51块,南坡27块,北坡24块,整体装机量31.11kW。由于受到MPPT数量以及电流限制,故只能设成上图所示,不同数量的组串接入同一路MPPT下影响整体的发电量。
固德威针对此种场景,推出GW30K-SDT-P31。本款机器3路MPPT设计,整体5个组串,单串电流可达20A,可以完美的兼容210的组件,两串12块接入MPPT1,13/14块组串分别接入MPPT2和MPPT3当中,保证各组串的追踪效率。
02
解决用户体验问题
2.1 风扇
我们对比了数十家风扇品牌和型号,其中大品牌(NMB、SANYO、永立、台达)的品质更可靠。型号上我们选用了大尺寸的风扇(从80到92),相同通风量的条件下转速更低,噪音更小;同转速的条件下,出风量更大,部分机型可减少1个风扇,既降低了噪音,又降低了成本。
永立92风扇
其次,考虑到极简运维,选用大风扇,细小的物体不宜卡堵风扇,降低风扇故障率。并且从设计角度调整了风扇的位置,风扇在侧面而不是底部,底部设计容易由异物坠落或杂物生长进入风扇维护腔,形成异物堵塞。
SDT 20K(老款)
SDT G3.1 20K(新款)
风扇位置图
2.2 AC电压控制
弱电网线路阻抗高,消纳欠缺的情况下长距离传输压降和损坏非常大,导致逆变器的端口电压要非常高才能送出电能。逆变器的交流工作电压一般控制在1.2Un(相电压264V)以下(部分省份略有不同),为了应对高阻抗弱电网,逆变器可提供最大290V交流工作电压上限。
高交流电压
03
解决电网调控问题
近期,湖北电网下发了《关于进一步做好分布式光伏发电项目并网服务的通知》,以实现低压分布式光伏可观、可测、可控、可调的要求。
固德威新一代逆变器提供标准的RS485接口,可通过第三方的协议转换器把协议转换成DL/T 698.45,以载波形式发送给电网融合终端设备,相比之前的山东、河北电网多了一道协议转换的要求。固德威也在考虑内部集成相关协议转换器设备。
小结
为了更好得匹配市面上182、210组件,适配不同的应用场景,保证客户的发电量,固德威专注品质,匠心制造,新品SDT G3也是更好得迎合市场,产品保质保量,保证客户的收益。
微信客服
微信公众号









0 条